Подшипник 1000902 СПЗ-4 в Екатеринбурге
Мы предлагаем различные формы оплаты, для максимального удобства заказчика. Скидки оптовым и постоянным клиентам.
Возможность доставки подшипников в любую точку РФ в минимальные сроки.
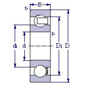
Подшипник 1000902 СПЗ-4:
Грузоподъемность динамическая: 3.48
Грузоподъемность статическая: 1.48
Наружный диаметр: 28.00
Внутренний диаметр: 15.00
Масса: 0.02
Ширина: 7.00
Диаметр шарика: 3.17
Количество шариков: 12.00
Номинальная частота вращения при жидкой смазке: 28000.00
Номинальная частота вращения при пластичной смазке: 22000.00
телефон: +7 (343) Показать номер +7 (343) 222-05-22, 330-08-45, 330-08-46
Контактное лицо: -
Email: psg66@psg66.ru
Адрес: Екатеринбург, пр. Космонавтов 145 "Г"
ПОДШИПНИКИ ОТЕЧЕСТВЕННЫХ ПРОИЗВОДИТЕЛЕЙ





















